CX2119A低相噪晶体振荡器

主要特性
测试项目 | 条件 | 技术指标 | 技术指标 |
---|---|---|---|
输出频率 | 10MHz或10.23MHz | ||
输出频率 | 1s | 标称值 | 典型值 |
≤ 3×10?12 | 1×10?12 | ||
相位噪声 dBc/Hz | 标称值 | 典型值 | |
1Hz* | ≤ -100 | -110 | |
10Hz | ≤ -130 | -137 | |
100Hz | ≤ -150 | -155 | |
1kHz | ≤ -157 | -161 | |
10kHz | ≤ -160 | -165 | |
100kHz | ≤ -160 | -165 | |
老化率(连续老化30d后测量) | 1月 | ≤ 5×10⁻⁹ | |
第1年 | ≤ 5×10⁻⁸ | ||
10年 | ≤ 2.5×10⁻⁷ | ||
1天 | ≤ 5×10⁻¹⁰ | ||
频率控制 | 压控电压范围 | 0~5V,正斜率 | |
频率调节范围 | ≥ ±4×10⁻⁷ | ||
温度频率特性 | ≤ ±3×10⁻⁸ | ||
电压频率特性 | ≤ ±5×10⁻⁹ | ||
负载频率特性 | ≤ ±5×10⁻⁹ | ||
波形 | 正弦波 | ||
输出功率 | ≥ 7dBm | ||
谐波 | ≤ -30dBc | ||
杂波 | ≤ -70dBc | ||
启动时间 | ≤ 5min(+25℃环境,到 ±1×10⁻⁶) | ||
工作温度 | -20℃ ~ +70℃ | ||
存储温度 | -40℃ ~ +85℃ | ||
电源 | +12VDC | ||
电流 | ≤ 0.5A | ||
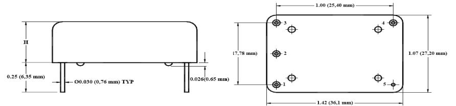
外形尺寸 | 36mm×27mm×16mm |
相位噪声典型值

频率稳定度典型值

